|
|
Rotterdam
KLINGER The NetherlandsNikkelstraat 2 3067 GR Rotterdam
Elsloo
KLINGER Service Center LimburgBusiness Park Stein 208A 6181 MB Elsloo
Velsen-Noord
KLINGER The NetherlandsRooswijkweg 200 1951 MD Velsen-Noord
Moordrecht
Hadro Techniek Zuidbaan 351 2841 MD Moordrecht |
Spoed of vragen over de beschikbaarheid?
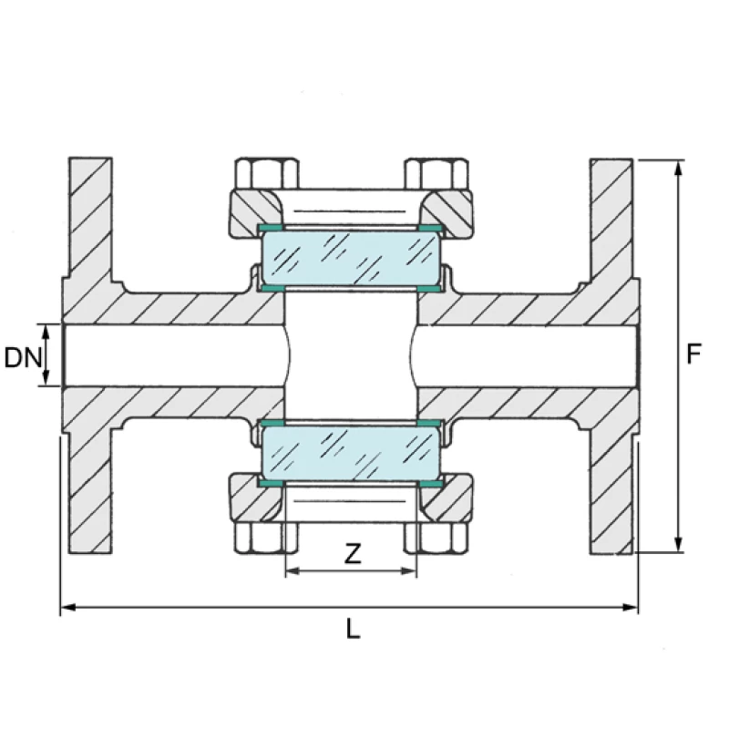
| Type | KP-4771 |
| Materiaal | Gietstaal GP240GH |
| Drukklasse | PN 40 en PN 16 |
| Glasdrukstuk | Staal P250GH |
| Glas | Gehard borosilicaat DIN 7080 |
| Afdichting | Asbestvrij |
| Bouten | Klasse 5.6 verzinkt |
|
|
|
| Inbouwlengte | EN558-1 serie 1 |
| Aansluiting | Flensaansluiting EN1092-1 |
| Druk | DN 15-20-25 40 bar |
| DN 32-40-50 25 bar (drukklasse PN40 op aanvraag) | |
| DN 65-80-100 16 bar (drukklasse PN25/PN40 op aanvraag) | |
|
|
|
| Temperatuur | -10ºC tot 300ºC max |