|
|
Rotterdam
KLINGER The NetherlandsNikkelstraat 2 3067 GR Rotterdam
Elsloo
KLINGER Service Center LimburgBusiness Park Stein 208A 6181 MB Elsloo
Velsen-Noord
KLINGER The NetherlandsRooswijkweg 200 1951 MD Velsen-Noord
Moordrecht
Hadro Techniek Zuidbaan 351 2841 MD Moordrecht |
Spoed of vragen over de beschikbaarheid?
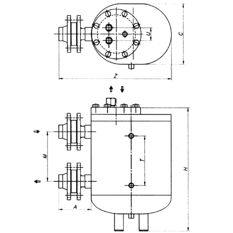
| Type | EPT-200 serie |
| Materiaal | Smeedstaal |
| Mechanisme | RVS |
| Kleppen | RVS |
| Terugslagkleppen | RVS |
| Veer | Inconel X-750 |
|
|
|
| Werkdruk | max 9 bar |
| Aansluitingen | Aandrijfdruk 1/2" BSPT |
| Ontluchting 1" BSPT | |
| Kijkglas 1/2" BSPT (optioneel) | |
| In- en uitlaat flens PN16/40 ( meegeleverd) | |
| Aftap 1/2" BSPT | |
| Temperatuur | 343ºC |
Voor meer informatie over onze condensaatpompen kunt u contact opnemen met: