|
|
Rotterdam
KLINGER The NetherlandsNikkelstraat 2 3067 GR Rotterdam
Elsloo
KLINGER Service Center LimburgBusiness Park Stein 208A 6181 MB Elsloo
Velsen-Noord
KLINGER The NetherlandsRooswijkweg 200 1951 MD Velsen-Noord
Moordrecht
Hadro Techniek Zuidbaan 351 2841 MD Moordrecht |
Spoed of vragen over de beschikbaarheid?
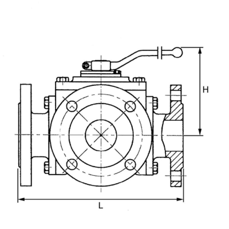
| Type | KP-2512 |
| Materiaal | Gietstaal EN-GP240GH |
| Drukklasse | Zie tabel |
| Kogel | RVS GX5CrNiMo19-11-2 |
| Spindel | RVS X5CrNiMo17-12-2 |
| Handgreep | WCB |
| Afd.elementen | PTFE |
| Spindelafdichting | PTFE |
|
|
|
| Aansluiting | EN 1092-01 |
|
|
|
| Temperatuur | -10°C tot +210°C (druk en temperatuur afhankelijk) |
Voor meer informatie over onze kogelkranen kunt u contact opnemen met: