|
|
Rotterdam
KLINGER The NetherlandsNikkelstraat 2 3067 GR Rotterdam
Elsloo
KLINGER Service Center LimburgBusiness Park Stein 208A 6181 MB Elsloo
Velsen-Noord
KLINGER The NetherlandsRooswijkweg 200 1951 MD Velsen-Noord
Moordrecht
Hadro Techniek Zuidbaan 351 2841 MD Moordrecht |
Spoed of vragen over de beschikbaarheid?
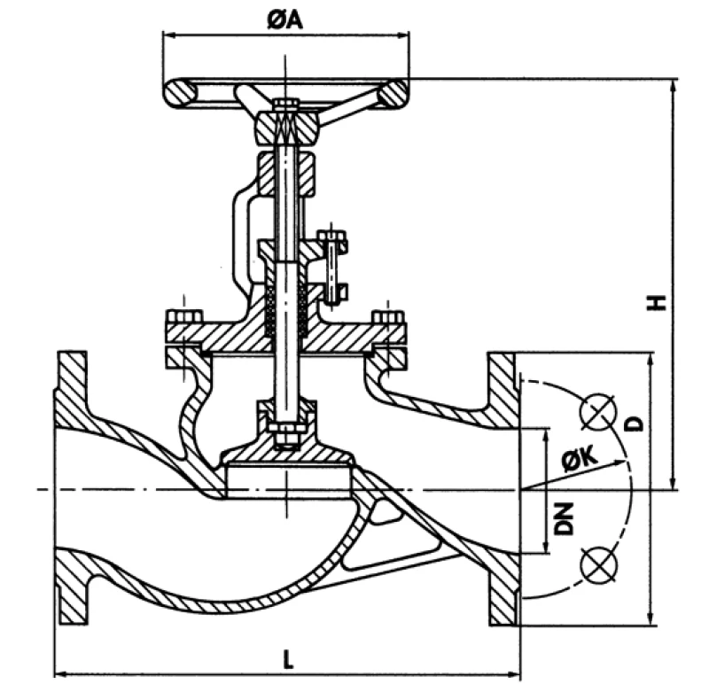
| Type | KP-721 |
| Materiaal | Gietijzer EN-GJL-250 |
| Drukklasse | PN 16 |
| Bovendeel | Gietijzer |
| Handwiel | Gietijzer |
| Zitting | RVS |
| Klep | RVS |
| Spindel | RVS |
| Dekselpakking | Grafiet |
| Stopbuspakking | Grafiet |
|
|
|
| Inbouwlengte | EN 558-1 serie 1 |
| Aansluiting | EN 1092-2 |
|
|
|
| Temperatuur | 13 bar tot +300°C |
| 16 bar tot +120°C | |
Voor meer informatie over onze afsluiters kunt u contact opnemen met: