|
|
Rotterdam
KLINGER The NetherlandsNikkelstraat 2 3067 GR Rotterdam
Elsloo
KLINGER Service Center LimburgBusiness Park Stein 208A 6181 MB Elsloo
Velsen-Noord
KLINGER The NetherlandsRooswijkweg 200 1951 MD Velsen-Noord
Moordrecht
Hadro Techniek Zuidbaan 351 2841 MD Moordrecht |
Spoed of vragen over de beschikbaarheid?
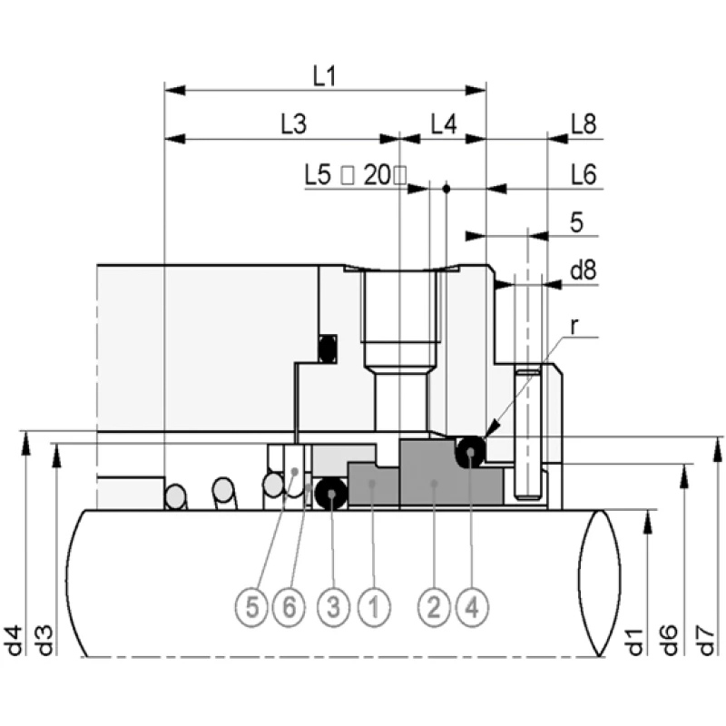
| Type | U 1212 U6U6V |
| Materiaal | AISI 316L |
| Roterend deel | Siliciumcarbide (U6 = DIN Q1) |
| Stationair deel | Siliciumcarbide (U6 = DIN Q1) |
| O-ringen | FPM (V), optie EPDM (E) |
|
|
|
| Max. druk | 10 bar |
| Max. temperatuur | 120ºC |
| Max. snelheid | 10 m/s |
| P.V. factor | 50 |
|
|
|
| Afmetingen | volgens DIN 24960 |
Voor meer informatie over onze mechanische asafdichtingen (mechanical seals) kunt u contact opnemen met: